联系电话:18929454151
公司传真:296904254
Email:andy_wu@math-mart.com
地址: 东莞市长安镇霄边振安东路160号顺捷商务大厦3F-C
性能突破相对于5000HD全方位升级-带宽提升100%-采样率提升100%-存储深度提升100%-捕获率提升30%-ARM算力提升400%-FFT点数提升至10Mpts-眼图80万UI小于1s-流畅度提升300%抖动分析和眼图全方位化无形为可视,精准定位抖动根源,一键合规性报告-抖动分析视图:趋
性能突破
相对于5000HD全方位升级
-带宽提升100%-采样率提升100%
-存储深度提升100%
-捕获率提升30%
-ARM 算力提升400%
-FFT 点数提升至 10Mpts
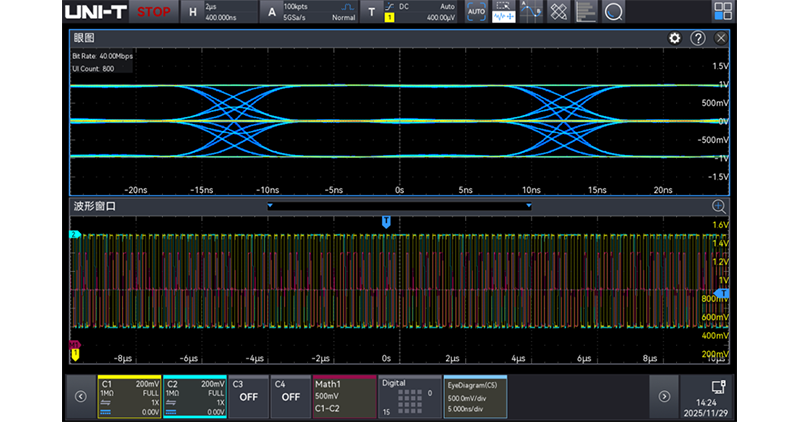
-眼图80万UI 小于1s
-流畅度提升 300%
抖动分析和眼图
全方位化无形为可视,精准定位抖动根源,一键合规性报告
-抖动分析视图:趋势图、直方图、频谱图、浴盆曲线
-抖动测量:TIE、Cycle-Cycle抖动、周期抖动、TJ、RJ、DJ、DDJ、DCD、ISI
-眼图:支持NRZ以及多种PAM-N调制信号

协议一致性分析 化繁为简,一站式完成可靠性测试与合规性报告
支持高速串行协议信号合规性测试
-USB2.0
-100/1000M工业以太网
-100/1000M车载以太网


分析功能更全面
分析能力全方位增强,提供跨电源、数据与信号完整性领域的端到端专业解决方案
-电源分析 14 种
输入分析:电源质量、谐波分析、浪涌电流
输出分析:纹波分析、调制分析、电源效率,启动/关闭时间、瞬态响应
开关分析:开关损耗、安全工作区、转换速率、稳定导通电阻
频率响应分析:控制环路响应(Bode)、电源抑制比(PSRR)
-协议分析 15种
嵌入式:RS-232/422/485/UART、I2C、SPI、
AudioBus(IIS ,LJ,RJ,TDM)、I3C
汽车:CAN、CAN-FD、CAN-XL、LIN、FlexRay、SENT
传感器 &RFID:Manchester、1-WIRE
航空航天:MIL-STD-1553、ARINC429
-时序分析 8种
UART、I2C、SPI 、CAN 、IIS 、Reset、Switch 、LIN
MSO6000HDP系列高分辨率示波器,在紧凑“X”型机身内汇聚尖端性能。其硬件搭载12位ADC,2GHz带宽、10GSa/s采样率与1Gpts/通道存储深度,以每秒200万波形的极限捕获率,确保信号无遗。本机更集电源、时序、协议分析及抖动眼图、USB及以太网标准合规性测试于一体,成为一站式调试平台,显著提升工程师从信号观测到标准验证的全流程效率。